Pompa elektryczna 15m3

Kod produktu: 0237
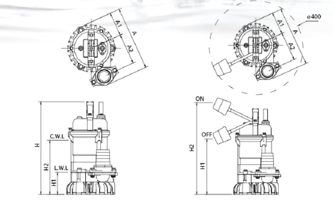
Rental item description EVAK 50EUS-5.05s Pompy zatapialne Evak EUS , kompaktowe, jednofazowe pompy z agitatorem , przeznaczone są do pompowania wody zanieczyszczonej i osadów bez elementów włóknistych. Bardzo dobrze sprawdzają się jako urządzenia do odwadniania wykopów w budownictwie, nawet takich, które zawierają dużą ilość szlamu. Technical parameters
Napięcie 230 V Weight 13 kg
×
75 PLN / day net 92.25 PLN / day
Rental period: Choose dates
75 zł 92.25 zł
Submit inquiry
Wypełnij formularz kontaktowy
  • Individual
  • Company
Our employees will contact you as soon as possible
Need help? Contact us