Przyczepka 1 oś DMC 750kg

Kod produktu: 0128
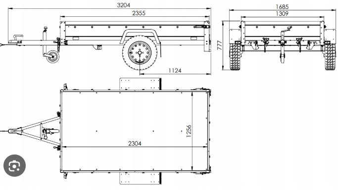
Rental item description Przyczepka Garden Trailer 230 jest wykonana z ocynkowanej stali, dzięki czemu jest ona odporna na rdzę i warunki atmosferyczne. Jeśli przyczepa będzie przechowywana tylko na dworze, to zalecamy dokupić do niej pokrowiec płaski, aby zwiększyć jej ochronę. Wzmocnieniem dla całej konstrukcji są trzy belki wsporcze zamontowane pod podłogą, które podtrzymują powierzchnię transportową. Przyczepa Garden Trailer 230 może posiadać wiele zastosowań. Dzięki niej w bezpieczny sposób możesz przewieźć materiały budowlane, meble lub specjalistyczne urządzenia. W każdej chwili możesz zdemontować tylną burtę ściągając ją z zaczepów, zyskując tym samym dużo więcej przestrzeni w ciągu kilku sekund. Od teraz za jednym razem jesteś w stanie przetransportować dużo więcej rzeczy. Technical parameters
Weight 124 kg wymiary platformy[ m x m] 2,3 x 1,2 m
×
60 PLN / day net 73.8 PLN / day
Rental period: Choose dates
60 zł 73.8 zł
Submit inquiry
Wypełnij formularz kontaktowy
  • Individual
  • Company
Our employees will contact you as soon as possible
Need help? Contact us